
Accuracy Class |
0.03 C3 |
Units |
|---|---|---|
Rated Capacities |
3, 5, 10, 12, 20, 30, 40, 50, 90 kg |
kg |
Rated Output |
2.0mV/V ± 10% |
mV/V |
Non-linearity |
0.03% |
F.S |
Hysteresis |
0.03% |
F.S |
Non-repeatability |
0.02% |
F.S |
Creep at rated output |
0.03% |
% of applied load |
Temperature effect span |
15 PPM |
% of applied load/C |
| Temperature effect zero |
26 PPM |
% of rated output/C |
Compensation temperature range |
-10 ~ 40 |
Degrees C |
Operating temperature range |
-40 ~ 65 |
Degrees C |
Zero balance |
± 1% |
F.S |
Input impedance |
400 ± 15 |
Ohms |
Output impedance |
350 ± 3 |
Ohms |
Safe Overload |
150% |
F.S |
Ultimate overload |
300% |
F.S |
Recommended excitation |
10 |
Volts DC |
Maximum excitation |
15 |
Volts DC |
Insulation Resistance |
>5000 |
Megaohms |
Construction material |
Aluminum |
|
Environmental protection |
IP67 |
|
Cable |
1.5 meter 4-core screened nitrile |
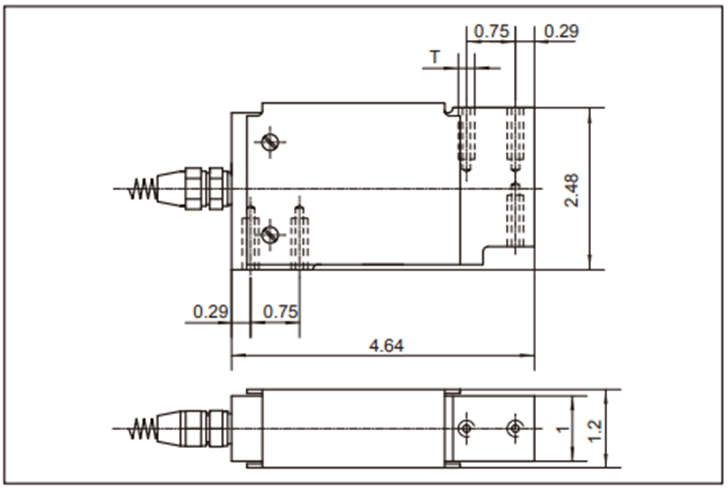
(mm) |
|||||||||
CAPACITY |
T |
||||||||
3 / 90 kg |
M6-6H Deep 5 Places |
||||||||

